控制元件 — 3H/4H系列手動閥
符號

訂貨型號

技術參數
| 型號 | 3H210-06/08 4H210-06/08 | 3H310-08/10 4H310-08/10 | 3H410-10/15 4H410-10/15 | |
| 工作介質 | 空氣 | |||
| 工作方式 | 直動式 | |||
| 有效截面積(mm2) | 16(CV=0.89) | 25(CV=1.4) | 30(CV=1.68) | |
| 接管口徑 | 1/4" | 3/8" | 1/2" | |
| 使用壓力范圍 | 0-0.8 MPa | |||
| 使用溫度范圍 | -5~60℃ (未凍結) | |||
| 操作搖角度 | ±5 | |||
| 主要配件材質 | 本體 | 鋁合金 | ||
| 密封圈 | NBR | |||

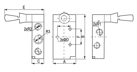
| 型號 | OD | A | B | C | E | F | J | R1 | R2 | R3 |
| 4H210-08 | 4 | 35 | 76.3 | 22 | 94.5 | 21 | 21 | R1/4 | R1/4 | R3/8 |
| 4H310-10 | 4 | 40 | 92 | 27 | 100 | 28 | 28 | R3/8 | R3/8 | R3/8 |
| 4H410-15 | 5.5 | 50 | 12.4 | 34 | 105 | 28.2 | 34.6 | R3/8 | R3/8 | R3/8 |