氣源處理件 — AR系列減壓閥
訂貨型號

技術參數
| 型號 | 規格 | ||
| 額定流量(L/min) | 接管口徑Rc(PT) | 壓力表口徑Rc(PT) | |
| AR1000-M5 | 100 | M5 | 1/16 |
| AR2000-02 | 550 | 1/4 | 1/8 |
| AR3000-02 | 2500 | 1/4 | 1/8 |
| AR3000-03 | 2500 | 3/8 | 1/8 |
| AR4000-03 | 6000 | 3/8 | 1/4 |
| AR4000-04 | 6000 | 1/2 | 1/4 |
| AR4000-06 | 6000 | 3/4 | 1/4 |
| AR5000-06 | 8000 | 3/4 | 1/4 |
| AR5000-10 | 8000 | 1/1 | 1/4 |
圖形符號

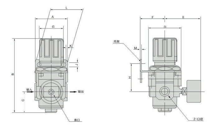
外型尺寸

| 型號 | 口徑 | A | B | C | D | E | F | G | H | J | K | L | M | N |
| AR1000-M5 | M5 | 25 | 58 | 12 | 25 | 33.5 | 25 | 28 | 27.5 | 4.5 | 6.5 | 40 | 1.8 | 18.5 |
| AR2000-01/02 | 1/8?1/4 | 40 | 92 | 17 | 40 | 53 | 33 | 33.5 | 43 | 5.5 | 15 | 55 | 1.8 | 33.5 |
| AR3000-02/03 | 1/4?3/8 | 53 | 123.5 | 35 | 53 | 54.5 | 41 | 36 | 46 | 6.5 | 11.5 | 54 | 1.8 | 42.5 |
| AR4000-03/04 | 3/8?1/2 | 70 | 145.5 | 37.5 | 70 | 60 | 49 | 53 | 52 | 8.5 | 10.5 | 70 | 1.8 | 52.5 |
| AR4000-06 | 3/4 | 75 | 150 | 38.5 | 70 | 66 | 49 | 53 | 56 | 8.5 | 10.5 | 70 | 1.8 | 52.5 |
| AR5000-06/10 | 3/4?1 | 90 | 165 | 48 | 90 | 70 | 49 | 53 | 62 | 8.5 | 10.5 | 70 | 1.8 | 52.5 |